Részletes leírás
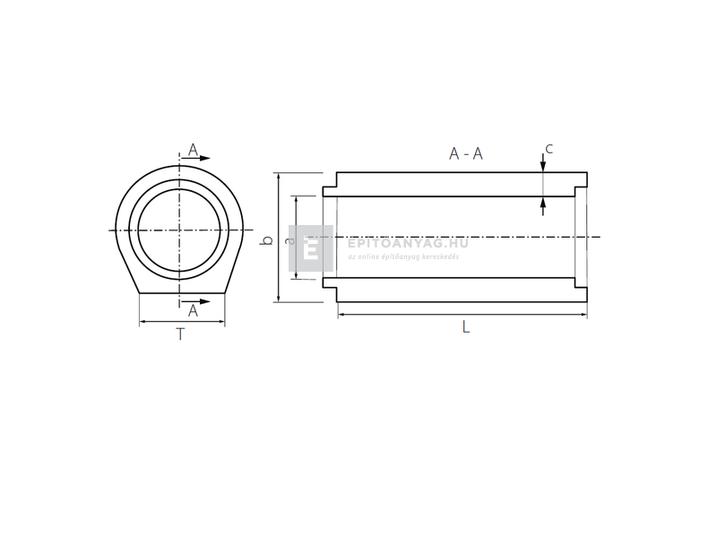
A talpas betoncsövet olyan nyílt vízelvezető árkoknál használjuk ahol a folyamatos vízelvezetés szükséges és az árok kapu- vagy kocsibejárókkal van keresztezve. Hornyos illesztésű, tömörített kavics ágyazatra gyorsan telepíthető.









Mondd el a véleményed erről a termékről!
Értékelem